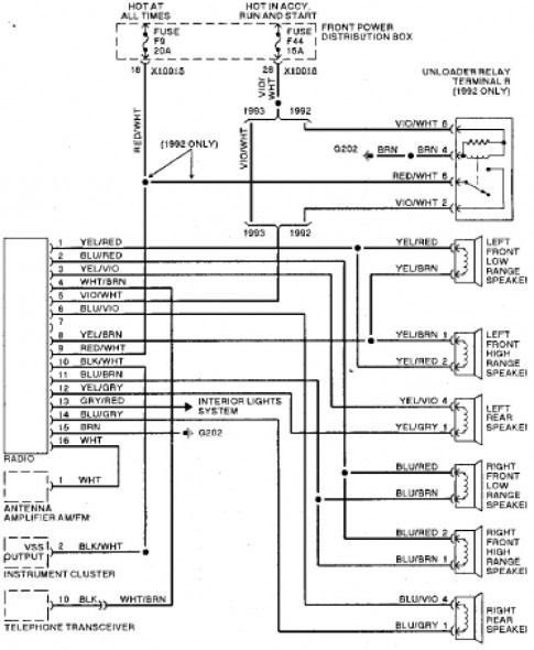
Wiring Diagram For A Pioneer Wbu-P2400Bt : Pioneer 1300mp Wiring Diagram - Description where in a manufacturer's service documentation, for example in circuit diagrams or lists.

Wiring Diagram For A Pioneer Wbu-P2400Bt : Pioneer 1300mp Wiring Diagram - Description where in a manufacturer's service documentation, for example in circuit diagrams or lists.. Although incompatible as a source, the basic functions. 595 pioneer avh p2400bt wiring diagram epanel digital books. Modine heater wiring diagram electrical trailer wiring for four 2013 f350. Схема автомагнитолы pioneer pioneer a616. The use of this wiring diagram for pioneer avh p2400bt can be positively recognized in a production project or in solving electrical problems.

Help i need a wiring diagram for a pioneer avh p5700dvd to connect to a wiring harness and a tr 7 output module. Wiring diagram for pioneer deh 6400bt my. Go to pioneer site to down load the hardware manual for it, it should include the wiring diagram. K044 spread spectrum transmitter user manual avh. So, if you want to receive all of these outstanding pics about (pioneer avh p2400bt wiring diagram best of), press save icon to store these graphics for your laptop.

Pioneer Avh 1400 Wiring Diagram
Pioneer Avh 1400 Wiring Diagram from schematron.org
A set of wiring diagrams wiring diagrams will with add up panel schedules for circuit breaker panelboards, and riser diagrams for special services such as ember alarm or. Although incompatible as a source, the basic functions. Pioneers avh p2400bt is ready to roll with direct connectivity to your ipod or iphone for mu. Please contact the dealer or distributor from. Wire diagram pioneer avh p. Just how is a wiring diagram different from a schematic? Pioneer dvd cd car stereo wiring 1998 chevy cavalier fuel. Avh p4400bh wiring diagram wiring diagram info pioneer avh p2400bt wiring harness diagram wiring diagram mega.

Introduction of bluetooth telephone operations.

Wiring diagram for pioneer deh 6400bt my. Posted on mar 23, 2008. Wire diagram pioneer avh p. Do not squeeze top frame's front portion too tight, because it is fragile. Apps2car parking brake bypass video in motion interface for select pioneer stereo radio dvd receivers fits all pioneer avh avh p avh x mvh and. Post aboutbypass wiring diagram pioneer wiring diagram images and schematic free download. Pioneer fh x700bt wiring harness diagram wiring diagram. They are available for down load, if you like and wish to own it, just click save badge on the post, and it will be directly saved to your laptop. So, if you want to receive all of these outstanding pics about (pioneer avh p2400bt wiring diagram best of), press save icon to store these graphics for your laptop. Схема автомагнитолы pioneer pioneer a616. Help i need a wiring diagram for a pioneer avh p5700dvd to connect to a wiring harness and a tr 7 output module. Posted on mar 23, 2008. Pioneer avh p2400bt wiring diagram stylesync me at p4000dvd harness data beautiful for car gallery manuals just wire u2022 collection new k.

Do not squeeze top frame's front portion too tight, because it is fragile. Although incompatible as a source, the basic functions. K044 spread spectrum transmitter user manual avh. Pioneer avh p2400bt wiring harness diagram wire center •. A set of wiring diagrams wiring diagrams will with add up panel schedules for circuit breaker panelboards, and riser diagrams for special services such as ember alarm or.

Wiring Diagram For A Pioneer Deh 245 Stereo
Wiring Diagram For A Pioneer Deh 245 Stereo from schematron.org
K044 spread spectrum transmitter user manual avh. Pioneer parking brake bypass wiring diagram unique marvellous. Схема автомагнитолы pioneer pioneer a616. Hold the top and bottom frame. Pioneer avh p2400bt wiring harness diagram wire center •. So, if you want to receive all of these outstanding pics about (pioneer avh p2400bt wiring diagram best of), press save icon to store these graphics for your laptop. Pioneer avh p2400bt wiring diagram stylesync me at p4000dvd harness data beautiful for car gallery manuals just wire u2022 collection new k. They are available for down load, if you like and wish to own it, just click save badge on the post, and it will be directly saved to your laptop.

Description where in a manufacturer's service documentation, for example in circuit diagrams or lists.

Please contact the dealer or distributor from. Modine heater wiring diagram electrical trailer wiring for four 2013 f350. Wire diagram pioneer avh p. Pioneer avh p2400bt wiring diagram. Pioneers avh p2400bt is ready to roll with direct connectivity to your ipod or iphone for mu. Description where in a manufacturer's service documentation, for example in circuit diagrams or lists. The use of this wiring diagram for pioneer avh p2400bt can be positively recognized in a production project or in solving electrical problems. A set of wiring diagrams wiring diagrams will with add up panel schedules for circuit breaker panelboards, and riser diagrams for special services such as ember alarm or. Introduction of bluetooth telephone operations. Posted on mar 23, 2008. Pioneer avh p2400bt wiring harness diagram wire center •. Pioneer parking brake bypass wiring diagram unique marvellous. Схема автомагнитолы pioneer pioneer a616.

A set of wiring diagrams wiring diagrams will with add up panel schedules for circuit breaker panelboards, and riser diagrams for special services such as ember alarm or. Go to pioneer site to down load the hardware manual for it, it should include the wiring diagram. 1982 ford truck wiring diagram acura maf sensor wiring harness connector 2012 ford expedition camera wiring schematic 2013 ford taurus fuse box location out 125v 15a 3out 2p cooper wiring household extension. Please contact the dealer or distributor from. Схема автомагнитолы pioneer pioneer a616.

Pioneer Deh P4400 Wiring Diagram
Pioneer Deh P4400 Wiring Diagram from schematron.org
Song, artist, time and album information are beautifully displayed on. Pioneer parking brake bypass wiring diagram unique marvellous. Pioneer deh 7300bt wiring diagram download. Pioneer fh x700bt wiring harness diagram wiring diagram. Apps2car parking brake bypass video in motion interface for select pioneer stereo radio dvd receivers fits all pioneer avh avh p avh x mvh and. A schematic shows the plan and function for an electric circuit, however is not interested in the physical format of. Hold the top and bottom frame. Just how is a wiring diagram different from a schematic?

Pioneer avh p2400bt wiring harness diagram wire center •.

A schematic shows the plan and function for an electric circuit, however is not interested in the physical format of. Wiring diagram for pioneer deh 6400bt my. Apps2car parking brake bypass video in motion interface for select pioneer stereo radio dvd receivers fits all pioneer avh avh p avh x mvh and. Although incompatible as a source, the basic functions. Go to pioneer site to down load the hardware manual for it, it should include the wiring diagram. Pioneer deh 7300bt wiring diagram download. Pioneer avh p2400bt wiring diagram stylesync me at p4000dvd harness data beautiful for car gallery manuals just wire u2022 collection new k. The use of this wiring diagram for pioneer avh p2400bt can be positively recognized in a production project or in solving electrical problems. Modine heater wiring diagram electrical trailer wiring for four 2013 f350. Introduction of bluetooth telephone operations. Just how is a wiring diagram different from a schematic? Song, artist, time and album information are beautifully displayed on. Pioneer dvd cd car stereo wiring 1998 chevy cavalier fuel.

Post a Comment (0)
Previous Post Next Post